





1 / 6
Kraftig 1200 Watt sirkelsag med ledning. Maskinen har maks snittdybde i treverk på 55mm. Hardmetall-sagbladet er på 160...
Nettlager:
På lager (+20)
Butikklager:
På lager i 61 butikker
Dine leveringsalternativer
Finn alternativer og pris for levering ved å søke på ditt postnummer

Lavprisløfte - garantert lave priser!

120 dagers åpent kjøp

Drive-in - Med bilen som handlevogn

Gebyrfri faktura med Walley
- Produktdetaljer
- Produktomtaler
- Dokumenter, brosjyrer og manualer
- Spesifikasjoner
Produktdetaljer
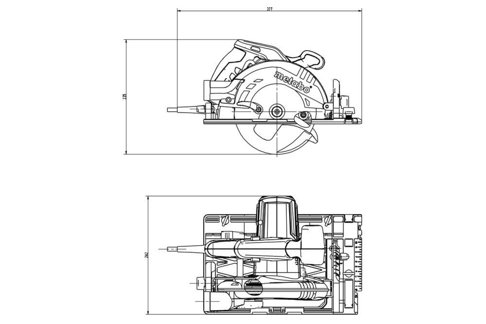
Kraftig 1200 Watt sirkelsag med ledning. Maskinen har maks snittdybde i treverk på 55mm. Hardmetall-sagbladet er på 160 mm. Med en kabellengde på hele 4 meter, så kommer man til de fleste steder. Testvinner i "Gjør Det Selv" nr. 3, 2024.
Bruksområder
Sagen passer først og fremst til treverk. For å få perfekte snitt, så anbefales det sterkt å bruke en føringsskinne som sagen passer i. Maks hastighet er oppgitt til 47 m/s.
Kjede/bladtype
Sag benytter et blad med dimisjon 160x20mm.
Medfølger
- All-round hardmetall sagblad på 160mm med 18 tenner
- Avsugstuss
- Parallellanlegg
- Sekskantnøkkel
Egenskaper
- 230 volt
- Hastighet 5600 o/min
- Maks snittdybde i tre 55 mm
Testvinner i "Gjør Det Selv" nr. 3, 2024.
Ref. resten her: https://gjoerdetselv.com/verktoey/elektrisk-sag/sirkelsag/test-av-sirkelsager-med-ledning
- Bladdiameter 160 mm
- Hastighet 5600 o/min
- Kan tilkobles støvsuger
- Maskinen kan legges ned til +47° for skråskjæring. Maks snittdybde 90°/45° 55/39 mm
Brosjyrer
959940_4007430230430_.pdf
Last ned / vis databladProduktdatablad
686425_4007430230430_.pdf
Last ned / vis datablad396496_4007430230430_.pdf
Last ned / vis databladBrukermanual
686424_4007430230430_.pdf
Last ned / vis datablad| Generelt | |
|---|---|
| Artikkelnummer | 4007430230430 |
| Leverandørens artikkelnummer | 600955000 |
| Forpakningsmål | |
|---|---|
| Bruttovekt | 5.65 kg |
| Høyde | 26.5 cm |
| Lengde | 38.5 cm |
| Bredde | 28 cm |









